|
規格(mm) |
1000 |
1200 |
1500 |
2000 |
2200 |
2500 |
3000 |
3200 |
|
|
料層厚度(mm) |
1000-1200 |
||||||||
|
過濾速度(m/h) |
30 |
||||||||
|
攪拌電機功率(kw) |
4 |
4 |
7.5 |
11 |
11 |
18.5 |
22 |
22 |
|
|
過濾水量(m³/h) |
24 |
34 |
53 |
94 |
114 |
147 |
210 |
241 |
|
|
設備凈重(kg |
1522 |
1813 |
2980 |
4792 |
5598 |
7902 |
10686 |
13542 |
|
|
設備運行重量(kg) |
4334 |
5792 |
9606 |
15814 |
20836 |
28082 |
40716 |
48508 |
|
|
最大操作壓力 |
060Mpa |
||||||||
|
截污容量 |
15~30Kg/m³(濾料) |
||||||||
|
過濾壓頭損失 |
運行初始入口、出口壓差為0.02~0.04Mpa;過濾失效時入口、出口壓差一般≤0.10Mpa,最大時不得超過0.20Mpa |
||||||||
|
過濾精度 |
過濾前水中懸浮物 |
過濾后水中懸浮物 |
|||||||
|
≤20mg/l |
0~0.5mg/1 |
||||||||
|
≤50mg/1 |
0~1.0mg/l |
||||||||
|
清洗操作壓力 |
≤0.05Mpa |
||||||||
|
清洗強度 |
3~8L/m².s |
||||||||
|
清洗空氣壓力 |
0.05Mpa;最大不得超過0.10Mpa |
||||||||
|
清洗空氣強度 |
60~80L/m² · s |
||||||||
|
清洗時間 |
20~30min |
||||||||
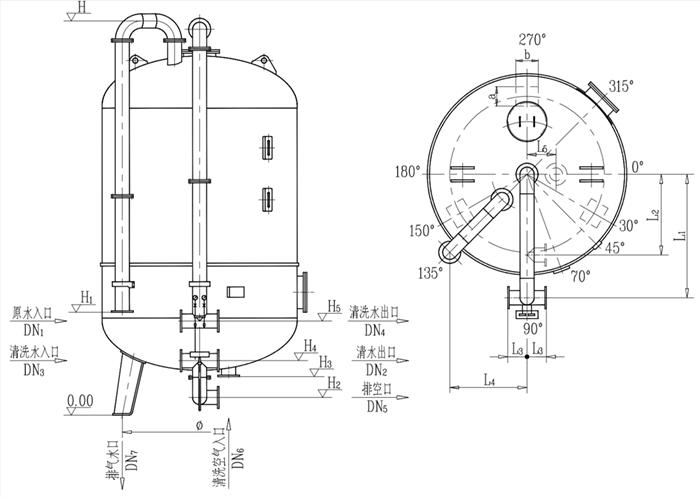
設備主要設計參數
1、設計壓力:0.6MPa
2、設計溫度:50℃
3、設計流速:30m/h
設備默認配置說明
1、設備陪就地取樣裝置和進出口壓力表;
2、設備所有接口法蘭壓力等級為PN1.0MPa;
3、設備接口到一次性法蘭為止,閥門由用戶自行配置。
